電磁流量計
簡介
電磁流量計是根據法拉第電磁感應原理研制的智能型流量儀表,主要用于化工、環保、水利、鋼鐵、造紙、食品、電力和化纖等工業領域,測量水、酸、堿、鹽等導電液體的流量。能實時顯示管道中液體的瞬時流量、累積流量、流速等信息,具有4-20mA和頻率信號輸出,還具有RS485通訊功能,可滿足各種應用場合的需求。
◆ 結構
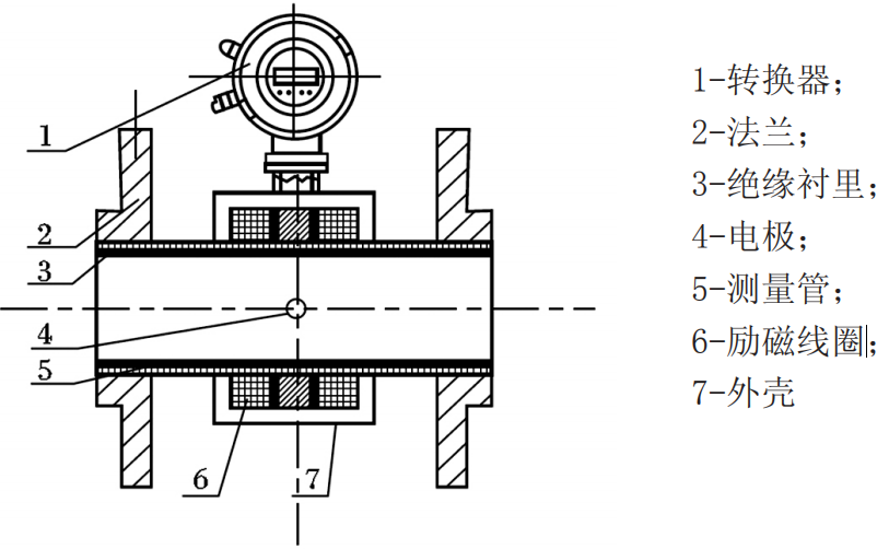
電磁流量計測量系統由傳感器和轉換器兩部分組成。按傳感器與轉換器的組裝方式分為一體式和分離式兩種形式。
一體式:把傳感器和轉換器通過內部連線接在一起,組成一個整體,直 接輸出與流量成線性關系的電流信號或頻率信號。
分體式:把傳感器和轉換器通過外部屏蔽電纜連接,由獨立的兩部分組 成一臺完整的電磁場流量計。這種方式的傳感器防護等級可做到IP68。

傳感器主要由測量導管、測量電極、勵磁線圈、鐵芯、磁軛和殼體等組成。轉換器即為二次儀表。主要功能是:將流量信號放大處理、單片機內部運算、流量及累計值的顯示并能輸出脈沖、模擬電流信號以便對流體流量進行計量或控制。
◆ 測量原理
電磁流量計傳感器的測量原理是基于法拉第電磁感應定律,在與測量管軸線和磁場磁力線相互垂直的管壁上安裝一對檢測電極,當導電液體沿測量
管軸線運動時,導電液體作切割磁力線運動產生感應電勢,此感應電勢由測量管上的兩個電極檢出,數值大小為:
E=KBVD
其中:E-感應電勢;
K-儀表常數;
B-磁感應強度;
V-測量管截面內的平均流速;
D—測量管的內直徑。

液體渦輪流量計:
應用場合
渦輪流量計是一種精密流量測量儀表,測量無雜質、無腐蝕液體的流量和總量。它被廣 泛用于石油、化工、冶金、科研等領域。
1.2 工作原理
當被測液體流過傳感器時,在流體作用下,葉輪受力旋轉,其轉速與管道平均流速成 正比。葉輪的轉動周期地改變磁回路的磁阻值,檢測線圈中的磁通隨之發生周期性變化,產 生頻率與葉片旋轉頻率相同的感應電動勢,經放大后,進行轉換和處理。
1.3 產品結構
渦輪流量計的基本結構如圖 1-1 所示,它主要由表體、前導向、后導向、葉輪、信號連 接器和轉換器等組成。

渦街流量計:
應用場合
應力式渦街流量計是速度式流量計的一種,廣泛應用于石油、化工、電力、輕工、動力供熱等行業。
1.2 工作原理
渦街流量計是由旋渦發生體、檢測探頭及相應的電子線路等組成。當流體流經旋渦發生體時,它的兩側就形成了交替變化的兩排旋渦,這種旋渦被稱為卡門旋渦。斯特羅哈在卡門渦街理論的基礎上又提出了卡門渦街的頻率與流體的流速成正比,并給出了頻率與流速的關系式:
f = St × V/d
式中: f:渦街發生頻率 (Hz)
V:旋渦發生體兩側的平均流速(m/s)
St :斯特羅哈爾系數(一定雷諾數范圍內為常數)
d:旋渦發生體迎流面寬度(m)

這些交替變化的旋渦就形成了一系列交替變化的流體升力,該升力作用在基于壓電效應的檢測探頭上,便產生一系列交變電荷信號,經過前置放大器轉換、整形、放大處理后,輸出與旋渦脫落頻率相同且與流速成正比的脈沖信號
產品結構
渦街流量計的基本結構如圖 1-2 所示,它主要由表體、探頭、旋渦發生體、表桿、冷凝管和轉換器等組成。

橢圓齒輪流量計:
概述
橢圓齒輪流量計是用于管道中液體流量連續或間斷測量和控制的容積式計量儀表。它具有量程范圍大、準確度高、壓力損失小、粘度適應性強、能測量高溫高粘液體、標定方便、安裝建議等諸多優點。適用于石油、化工、化纖、交通、商貿、食品、醫藥衛生等部門的流量計量。DH900系列橢圓齒輪流量計裝有指針和字輪累積裝置,可現場直接顯示流經管道內的液體流量和瞬時流量。在計數機構中附加發訊裝置與電顯儀表配套可實現積、定量和瞬時流量遠傳集中控制。加裝散熱器或橢輪欠齒可測量高溫、高粘液體。不同的液體(酸、堿、鹽、有機溶液等)流量計主體可選擇不同的材質制造。
結構與工作原理
橢圓齒輪流量計由流量變送器和計數機構組成。變送器與計數機構之間加裝散熱器,則構成高溫型流量計。送變器由裝有一對橢圓齒輪轉子的計量室和密封聯軸器組成,計數機構則包含減速機構、調節機構、計數器、發訊器。

計量室內由一對橢圓齒輪與蓋板構成初月形空腔作為流量的計量單位。橢圓齒輪靠流量計進出 口壓力差推動而旋轉,從而不斷地將液體經初月形空腔計量后送到出口處,每轉流過的液體是初月 形空腔的四倍,由密封聯軸器將橢圓齒輪轉的總數以及旋轉的快慢傳遞給計數機構或發訊器,便可知道通過管道中液體總量和瞬時流量。

(誤差與壓力損失曲線)

解釋:1 圖中各種不同液體可用精度調節裝置將流量計誤差調整在 0 軸上下,使誤差達最佳值。
2 任何液體縮少流量量程比情況下,用精度調節裝置可提高流量計精度。
超聲波流量計
工作原理
當超聲波束在液體中傳播時,液體的流動將使傳播時間產生微小變化,其傳播時間的變化正比于液體的流速。零流量時,兩個傳感器發射和接收聲波所需的時間完全相同(唯一可實際測量零流量的技術),液體流動時,逆流方向的聲波傳輸時間大于順流方向的聲波傳輸時間。
其關系符合下面表達式:

其中:
θ :束與液體流動方向的夾角
M :聲束在液體中的直線傳播次數
D :管道內徑
Tup:聲束在正方向上的傳播時間
Tdown:聲束在逆方向上的傳播時間
ΔT=Tup-Tdown
典型用途
便攜式/手持式超聲波流量計用于測量各種能夠傳導超聲波的單一均勻的液體的流量。便攜式/手持式超聲波流量計采用非接觸測量方式,測量范圍大,沒有活動機械部件,不受系統的壓力和惡劣環境的影響,已成功應用于水、純水、海水、污水、化工液體、江河水、燃料油等流體的計量工作中。標準傳感器的上限溫度為 110oC ,超過此溫度請與廠家聯系
測量組成圖
